Zoom

Have a question?
Does this part fit my model?
Does this part fit my model?
No, This Part Does Not Fits in This Model
The LG Thermostat - 6930W1A007R is the correct replacement for the following model numbers
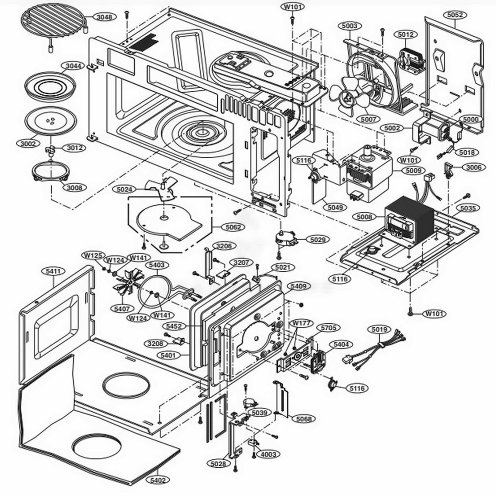
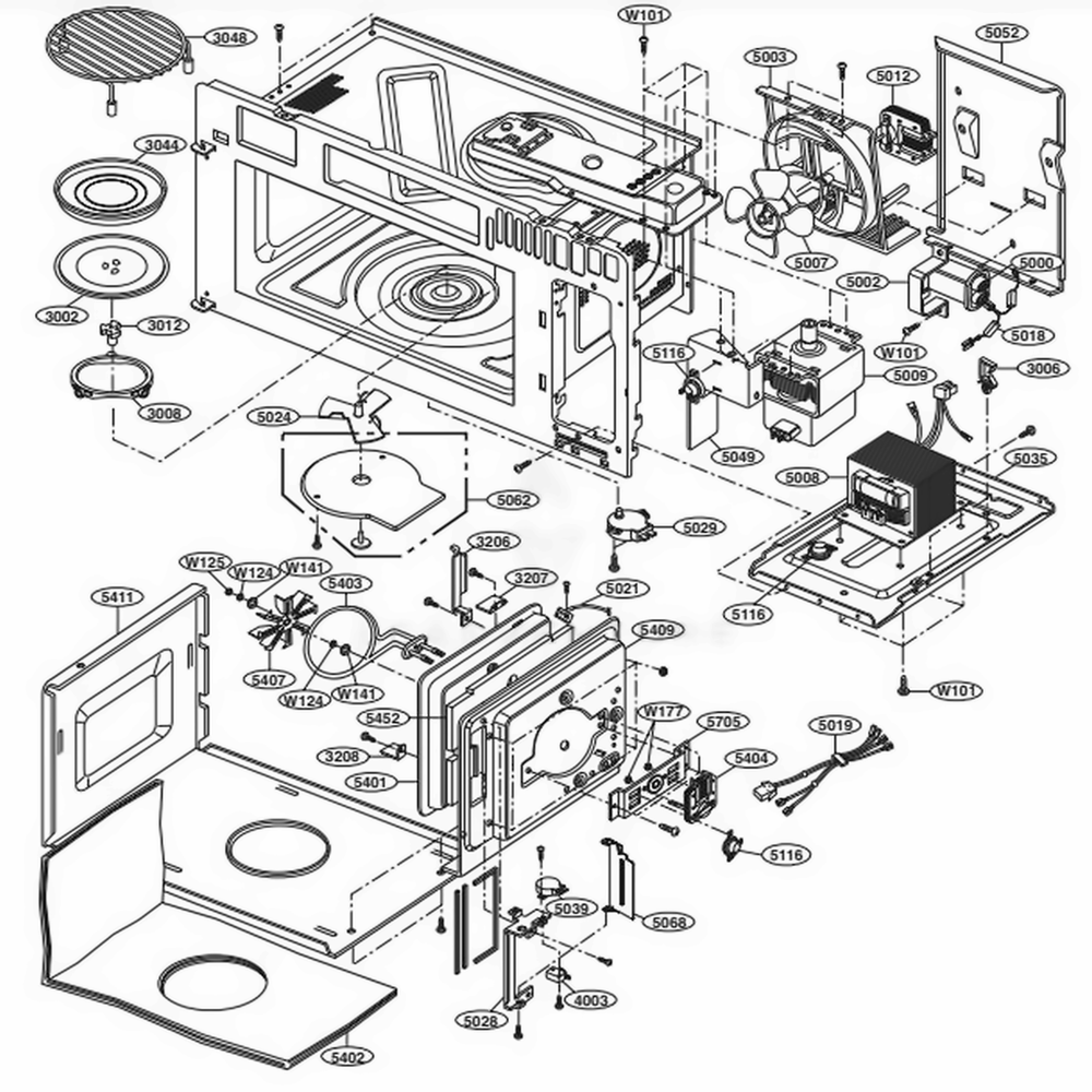
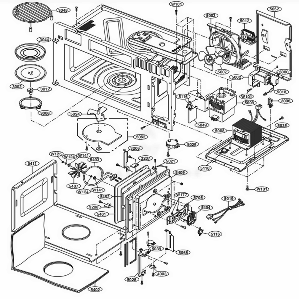
LG Thermostat - 6930W1A007R
Keep your appliance running at its best with the LG Thermostat - 6930W1A007R, an essential replacement designed to restore proper functionality and performance. Using genuine LG OEM parts helps maintain factory standards, ensuring dependable operation and long-term efficiency.
Product Highlights
- Original LG OEM Component: This replacement 6930W1A007R is manufactured to LG’s original specifications, delivering consistent quality, durability, and appliance-safe performance.
- Designed for Exact Compatibility: Specifically crafted to fit select LG Thermostat - 6930W1A007R models, allowing for smooth installation and reliable day-to-day operation.
- Optimized Appliance Performance: Supports correct functioning of your appliance, helping prevent performance issues and extending the lifespan of your LG unit.
- User-Friendly Installation: Designed for straightforward replacement, minimizing downtime and eliminating the need for specialized tools in most cases.
Why Order From Us?
- Trusted Source for LG Replacement Parts: We stock only genuine LG OEM components to ensure accuracy, reliability, and peace of mind.
- Fast & Reliable Shipping: Quick dispatch helps you get your appliance back up and running without unnecessary delays.
- Knowledgeable Customer Assistance: Our support team is available to guide you on part compatibility, installation questions, and order-related concerns.
You May Also Like
Frequently Bought Together
Recently viewed products
Discover all Appliance Parts
Home Appliance
Computer Tablet
Consumer Electronics
HVAC
TV & Audio
Power
Brands
- Acros (0)
- Amana (1059)
- Avanti (315)
- Bosch (10593)
- Braun (767)
- Canon (0)
- Delonghi (3112)
- Electrolux (25001)
- Elica (751)
- Gilette (16)
- GE (25001)
- Haier (4795)
- Lenovo (25001)
- LG (25001)
- Oral-B (199)
- Panasonic (25001)
- Philips (20817)
- Pioneer (9324)
- Sharp (13231)
- Silhoutte (76)
- Sony (25001)
- TCL (1274)
- Vizio (1882)
- Whirlpool (25001)
- Yamaha (517)
Popular Searches
- LG Cooktop Parts (49)
- GE Microwave Parts (1633)
- LG Refrigerator Parts (4848)
- GE Dryer Parts (3807)
- Bosch Range Parts (871)
- Whirlpool Refrigerator Parts (25001)
- Samsung Television Parts (4059)
- Sony Projector Parts (348)
- Samsung Refrigerator (5028)
- Electrolux Hood Parts (31)
- Bosch Dishwasher Parts (1269)
- Whirlpool Dishwasher Parts (16228)
- GE Dryer Parts (3807)
- Samsung Washer Parts (1823)
Subscribe to our newsletter
Your Cart ( 0 items)
Popular Insignia Categories
Popular LG Categories
Popular GE Categories
Popular Samsung Categories
Popular Electrolux Categories
Popular Bosch Categories
Popular Sony Categories
Popular Bertazzoni Categories
Some More Bertazzoni Categories
Popular Whirlpool Categories
Popular Dacor Categories
-
Shop by Brand
-
Home Appliance
-
Kitchen Appliances
- Air Fryer Parts
- Bread Maker Parts
- Coffee Machine & Kettle Parts
- Cooktop Parts
- Dishwasher Parts
- Deep Fryer Parts
- Food Processor Parts
- Freezer Parts
- Grill & Smoker Parts
- Hand Mixer & Blender Parts
- Hood Parts
- Ice Maker Parts
- Juicer Mixer Grinder Parts
- Microwave Oven Combo Parts
- Range Parts
- Refrigerator Parts
- Slow Cooker Parts
- Toaster Parts
- Trash Compactor Parts
- Wall Oven Parts
- Water Dispenser & Cooler Parts
- Water Filter & Softener Parts
- Oven Parts
- Microwave Parts
-
Laundry Appliances
-
Beverage Equipment
-
Lawn & Garden
-
Cameras & Photography
-
Car Audio & Video
-
Computers & Tablets
-
Home Audio
-
Home Theater, TV & Video
-
Printers & Accessories
-
Wearable Technology
-
Body Grooming
-
Medical Care
-
Mother & Baby Care
-
Oral & Dental Care
-
Heating, Cooling & Air Quality
- Air Circulator Parts
- Air Conditioners Parts
- Air Handler & Coils Parts
- Air Purifier Parts
- Blower & Coil Parts
- Central Air Conditioner Parts
- Central Package Parts
- Chiller Parts
- Cooling Coil Parts
- Dehumidifier Parts
- Ducted AC Parts
- Ductless Mini Split Parts
- Fan Coil Unit Parts
- Furnace & Coil Parts
- Gas Furnace Parts
- Heat Pump Parts
- Humidifiers Parts
- Mini-Split Parts
- Mini-Split-Cassette Parts
- Mini-Split-Condenser Parts
- Mini-Split-Wall Mount Parts
- Outdoor Unit Parts
- Package Unit Parts
- Portable Air Conditioner Parts
- Radiator Parts
- Windows Air Conditioner Parts
-
Household Ventilation
-
Hand Tools & Accessories
-
Power Tools
- Band Saw Parts
- Base & Stand Parts
- Battery & Charger Parts
- Chainsaw Parts
- Chop Saw Parts
- Circular Saw Parts
- Clock Radio Parts
- Compressor Parts
- Cordless Drill Parts
- Demolition Hammer Parts
- Drill Driver Parts
- Electric Drill Parts
- Grass Trimmer Parts
- Hammer Drill Parts
- Impact Driver Parts
- Impact Tool Parts
- Impact Wrench Parts
- Jig Saw Parts
- Laminate Trimmer Parts
- Miter Saw Parts
- Nailer & Stapler Parts
- Nibbler & Shear Parts
- Planer Parts
- Pressure Washer Parts
- Pulse Tool Parts
- Radio Parts
- Reciprocating Saw Parts
- Rotary Hammer Parts
- Router Parts
- Sander & Polisher Parts
- Table Saw Parts
-
Accessories
- Air Conditioner Accessories
- Air/Deep Fryer Accessories
- Audio/Video Player Accessories
- Audio/Video Receiver Accessories
- Audio/Video Recorder Accessories
- Blu-ray/DVD Player Accessories
- Camera Accessories
- Coffee Machine Accessories
- Commercial HVAC Accessories
- Computer & Laptop Accessories
- Cooking Accessories
- Cooktop Accessories
- Dehumidifier Accessories
- Dishwasher Accessories
- Disposal Accessories
- Dryer Accessories
- Food Processor Accessories
- Freezer Accessories
- Grill-Smoker Accessories
- Headphone/Earphone Accessories
- Health & Wellness Accessories
- Heater Accessories
- Home Theatre Accessories
- Ice Maker Accessories
- Laundry Accessories
- Microwave Accessories
- Mobile Accessories
- Navigation System Accessories
- Oral Care Accessories
- Oven Accessories
- Personal Care Accessories
- Power tools Accessories
- Printer Accessories
- Projector Accessories
- Range Accessories
- Range Hood Accessories
- Refrigerator Accessories
- Residential HVAC Accessories
- Speaker & Soundbar Accessories
- Steam/Dry Iron Accessories
- Toaster Accessories
- Trash Compactor Accessories
- TV Accessories
- Vacuum Cleaner Accessories
- Ventilation Accessories
- Washer Accessories
- Washer-Dryer Accessories
- Watch Accessories
- Wine cooler-Storage Accessories
- Other Accessories
- Adaptor & Charger
- Batteries
- Ice Maker
- Remote Control
- Waste Disposer
- Water Filters
Login / Sign up